Định dạng: rar
Dung lượng file: 219 KB


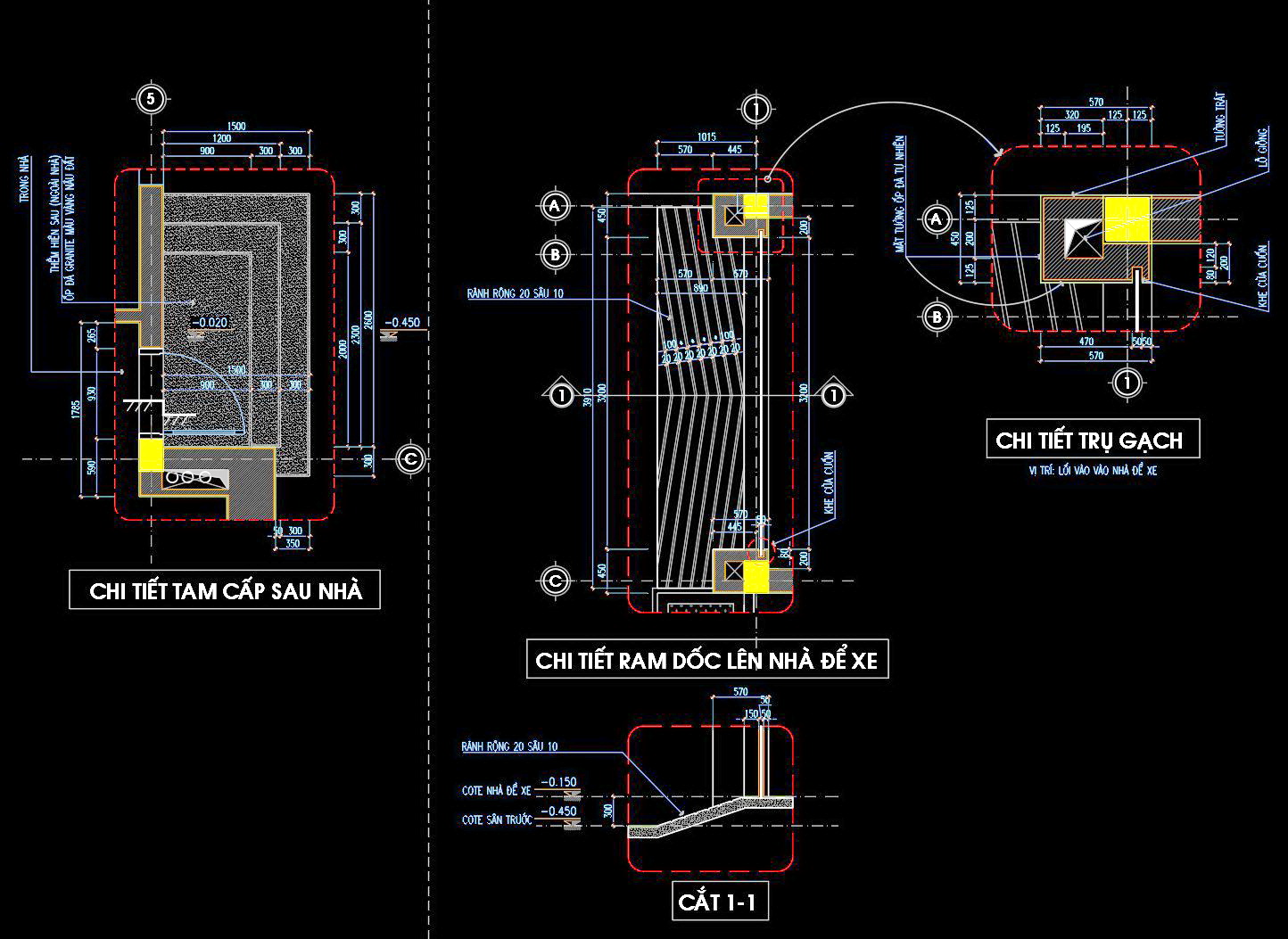
Tài liệu này cung cấp một cái nhìn chi tiết và toàn diện về các bản vẽ kỹ thuật kiến trúc cho các bước tam cấp. Đây là tài liệu quan trọng phục vụ cho các chuyên gia trong lĩnh vực kiến trúc và xây dựng.
Hình ảnh đầu tiên mô tả tổng thể chi tiết của tam cấp với các thành phần kỹ thuật chính như chi tiết bậc tam cấp, trụ gạch, và ram dốc lên nhà để xe. Bản vẽ được trình bày với độ chính xác cao, minh họa rõ ràng từng phần riêng biệt của cấu trúc tam cấp.
Đặc điểm nổi bật:
• Chất lượng chuyên nghiệp: Bản vẽ được thực hiện với độ chính xác cao, mô tả chi tiết kỹ thuật rõ ràng.
• Dễ dàng sử dụng: Với bố cục khoa học, các thông số và kích thước được ghi chú rõ ràng, giúp người xem dễ dàng nắm bắt thông tin.
• Tương thích nhiều phần mềm: Tài liệu có thể được sử dụng trong nhiều phần mềm thiết kế kiến trúc hiện đại.
• Tiết kiệm thời gian thiết kế: Cung cấp sẵn các chi tiết, giúp giảm bớt thời gian thiết kế và chỉnh sửa.
Ứng dụng thực tế của tài liệu này là giúp các kiến trúc sư và kỹ sư xây dựng có nguồn tài liệu tham khảo hữu ích. Bên cạnh đó, bản vẽ này còn hỗ trợ việc giảng dạy và học tập trong các trường kỹ thuật và kiến trúc.
Chi tiết kỹ thuật như kích thước chiều ngang, chiều dài, độ nghiêng, vật liệu như đá granite, và các yếu tố khác được thể hiện chi tiết trên bản vẽ.
Giá trị chuyên nghiệp:
Tài liệu này đặc biệt hữu ích cho các chuyên gia kiến trúc và xây dựng, hỗ trợ trong thiết kế, thi công và giáo dục.
Hãy tải về để ứng dụng vào các dự án của bạn, hy vọng đây là tài liệu hữu ích đối với mọi người.
Khám phá thêm hàng nghìn mô hình AUTOCAD miễn phí khác!
Hãy truy cập ngay Thư viện AUTOCAD của chúng tôi để tải về những tài nguyên tuyệt vời, giúp nâng cao chất lượng và hiệu quả công việc của bạn!
<<<<< >>>>>